Kill Switch

Status
Not open for further replies.
Kill Switch

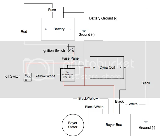
This is currently how I have my ignition wired (fuse panel noted). There is one power wire for the ignition (red and runs from fuse panel to coil (+) and red wire on Boyer). No provision for a kill switch.

Kill Switch

If you use the stock kill switch the ignition power (+) is shared with all the other circuits going through that handlebar switch. Which in this case will be the turn signals. Plus that same power feed also supplies the other handlebar switch (headlights).

So if I understand it, any short anywhere will take out your ignition. Is that right?

Kill Switch

If I put in a relay I believe I can isolate the ignition circuit. 85 is an isolated power feed from the fuse panel. On a SPDT relay 87 is closed with no power to it. This would provide the power through the relay to the Boyer. Then if you hit the kill switch (I'd change it from the blade switch where I think the stock kill switch is to the unused button) it would trip the relay over to 87a which would be not hooked up to anything and the Bower would lose power, engine would stop. I think the worse that could happen if something happened to the other circuits is the kill switch wouldn't work.

Anyone disagree?
 
I think I am lost, but regardless I think you will find that the bottom push button (kill switch) is normally closed but the top button is normally open (white-red wire) and could be used if that is the set up you wanted. So if it is OK to ground out a Boyer it could be used for that without a relay.
 
grandpaul said:
AAAAAAAAAARRRRRRRRGH!!!!!!!!

A relay for a kill switch?

yikes.

No, the relay is to provide direct power to the ignition, without it having to traverse the handlebar switch and to isolate the ignition from the other circuits.
 
rvich said:
I think I am lost, but regardless I think you will find that the bottom push button (kill switch) is normally closed but the top button is normally open (white-red wire) and could be used if that is the set up you wanted. So if it is OK to ground out a Boyer it could be used for that without a relay.

Bear with me here, I'm using my switch for a reference and it's not complete.

Kill Switch

White/Yellow is the ignition/kill wire. Green/Brown comes from the Flasher. White is power (+). Green/White is R/H Turn and Green/Red is L/H Turn. White/Red is Blank according to the wiring diagram.

Kill Switch

Kill Switch


From what I can tell from the disassembled switch (keep in mind some of these wires may have been moved at some point) I'm not sure how one of the buttons can be closed and then pushed to open. Maybe when I have more parts I'll be able to tell better.

If I want to "Ground out the Boyer" I'm a little unsure of what that circuit would look like with the stock switch.
 
Ludwig

You seem to have one of the simpler applications.

Could you explain a bit more about both the micro switch, and the indicator button.

Did you make the enclosure?
How is it attached?
Is the micro switch spring return?
Any problems hitting the kill switch by accident?
Is the button for dir indicator spring return or push on, push off?
How's the weather in Belgium?
 
From my own adventures in working on my wiring it seems that the white-red became the starter switch on the Mk III. So on yours it is just sitting there waiting for a chance to do something useful. It is a normal open push button. It should be getting power from the white wire and then connect back to the harness under the tank. You are going to negative ground right? So is the white wire now going to be the ground?

Kill Switch
 
rvich said:
From my own adventures in working on my wiring it seems that the white-red became the starter switch on the Mk III.

Originally that switch and wire was supposed to be used for the rather unreliable electric starter the factory intended to fit to the Commando from 1971, but changed their minds (hence the need for a blanking plate at the rear of the timing chest on the '71-'72 cases).

The MkIII switchgear is a completely different design, although the starter button wire is still white/red, as a particular circuit on a British vehicle usually has its own standard colour code to assist with circuit identification.

http://www.dimebank.com/LucasColours.html This list isn't totally accurate for all wiring applications used on British motorcyles however, many circuit colour codes are identical.
 
grandpaul said:
While the factory kill switches aren't the best, I've always been able to keep 'em working with a good cleaning, solder touchup, and/or needlenose plier tweaking.

Mine is still fine... I guess there are many ways to upgrade it if you must, you could fit a normally closed relay so that a push to make switch would cut power to the ignition etc etc all of these have potential failure modes up to the user to decide which mode of failure is more acceptable i.e. failure means no kill function or failure means no ignition but easily solved at the roadside with a length of wire :-).
 
rvich said:
From my own adventures in working on my wiring it seems that the white-red became the starter switch on the Mk III. So on yours it is just sitting there waiting for a chance to do something useful. It is a normal open push button. It should be getting power from the white wire and then connect back to the harness under the tank. You are going to negative ground right? So is the white wire now going to be the ground?

Since I'm not using the stock harness for the rest of the bike the white is switched power and black is ground.

Kill Switch

Actually I went out and took another look and now I see what everyone was talking about. This is the kill switch button and it is closed at rest and open when pushed. Now it makes sense.

But I still have to decide if I want to run the ignition through this connection. I know that a relay will be 99.5% reliable. I can't say the same for a nearly 40 yr old spring switch...
 
You wouldnt have to run the ignition thru the handlebar cluster with a normally open switch, just the kill switch. So if the switch failed or the wire developed an open circuit you wouldn't know it until the kill switch failed to function. If you used it regularly this should be easy to check. The beauty (in my mind) is that even a dirty switch will probably make enough contact to short out the ignition. I don't have a Boyer so I am taking Grandpaul's comments for granted that the Boyer can be shorted out. I don't know if you do this between the stator and the brain box, or between the brain box and the coil. I will leave that to others to figure out. However, all you have to do is run the white-red to the connection on the Boyer where it has been determined safest to short it, and then put the white wire to ground (negative ground system). Discard the white-yellow either at the switch itself, or secure the end of it where it terminates below the tank. Any short in the "live" system is going to take out your ignition, but that is something that just has to be dealt with regardless of how you wire the switch.. The only other way to elimated some of that problem is to run headlights, etc off a different fuse so that a short in any of those systems blows their independent fuse and does not ground out your ignition. I think there are probably more failure points due to unwanted opens than unwanted shorts. I know that when I hooked up my Tri Spark I was pleased to take a huge number of connections out of the circuit, even in a well sorted system each connection uses a little of the precious voltage.
 
rvich said:
How often has anyone ever used their kill switch to stop the motor from running?

When I had first ran my new Mikuni VM my throttle stuck at full throttle.
Excelerating like a rocket in second gear I was glad I didn't have to reach down and grab for the key.
Pulling clutch no option since motor would have over revved.
Glad for kill switch.

Added Amal spring to Mikuni now no more sticking.

Bpb
 
rvich said:
You wouldnt have to run the ignition thru the handlebar cluster with a normally open switch, just the kill switch. So if the switch failed or the wire developed an open circuit you wouldn't know it until the kill switch failed to function. If you used it regularly this should be easy to check. The beauty (in my mind) is that even a dirty switch will probably make enough contact to short out the ignition. I don't have a Boyer so I am taking Grandpaul's comments for granted that the Boyer can be shorted out. I don't know if you do this between the stator and the brain box, or between the brain box and the coil. I will leave that to others to figure out. However, all you have to do is run the white-red to the connection on the Boyer where it has been determined safest to short it, and then put the white wire to ground (negative ground system).

If you mean the White wire at the handlebar switch, I can't do that as it provides power for the turn signals switch. Hence my conundrum.

rvich said:
Discard the white-yellow either at the switch itself, or secure the end of it where it terminates below the tank. Any short in the "live" system is going to take out your ignition, but that is something that just has to be dealt with regardless of how you wire the switch.. The only other way to elimated some of that problem is to run headlights, etc off a different fuse so that a short in any of those systems blows their independent fuse and does not ground out your ignition. I think there are probably more failure points due to unwanted opens than unwanted shorts. I know that when I hooked up my Tri Spark I was pleased to take a huge number of connections out of the circuit, even in a well sorted system each connection uses a little of the precious voltage.

How did you run your kill switch for the Trispark?
 
This is one of the most over-analyzed simple situations i have ever seen discussed on a bike tech forum; HANDS DOWN!

YOU DO NOT SHORT, "KILL" OR OPEN THE HOT WIRE ANYWHERE COMMON TO ANY OTHER CIRCUITS BEING FED BY THE KEYSWITCH. OPENING THE POWER LEAD TO THE IGNITION KILLS THE ENGINE (WITHOUT AFFECTING ANY OTHER DEVICES POWERED UPSTREAM FROM THE INPUT TO THE IGNITION BOX)

IN THE BASIC ELECTRONIC IGNITION (SPARX & BOYER, OTHERS MAY BE SIMILAR), GROUNDING EITHER TRIGGER WIRE (BLK/Y OR BLK/W) WILL KILL THE ENGINE.
 
I see we are driving GP nuts. Oh well, might as well hash it out.

Check your switch cluster again. I might be wrong on this, but I think the turn indicators get power via green-brown and not the white. On mine it appears that the white wire provides power for this circuit at the flasher unit, then it goes via green-brown to the switch cluster and from there it is selected to go green-red or green-white. If this is the case on your bike that these switches are independent then your white wire is isolated to being used with either the white-yellow (normally closed) or white-red (normally open)

On the Tri Spark I was specifically told NOT to ground it out so I did not use this option. I am using the stock switch. I spend a weekend working it over until I could put the ohm meter on it and not read any resistance thru the switch. I don't know how long it will stay this way, but I plan to keep a check on it and someday find another solution, which is why I jumped into this conversation with enthusiasm.

GP my apologies if this seems like whiping a dead horse. But I see the job of eliminating potential electrical failures as critical to enjoying the bike. I think Dave and I both agree that a kill switch is a good thing to have.

Russ
 
On Ms Peel, with 6 relays total,
I lead neg power from battery to key to relay switch then other
switch terminal to the kill button to ground. Neg Power from
this relay was sent to Boyer via 5 watt fuse and stereo power filter,
then to pos earth via the head steady ground.
Key turns relay to ignition on/off or kill button turns relay off
while held.
Peel's kill tether will just tap into the wires to relay switch terminals
and break it conduction when I leave saddle or if trapped under bike again
a tug should kill it if I'm still able.

BTW Swoohdave, I think I read you have used a red wire to
carry a Neg Polarity Power feed to something. Beware
every other factory red wire is a POS. Earth polarity to Chassis.
May confuse the next owner or shop staff to let your
smoke out.

hobot
 
grandpaul said:
This is one of the most over-analyzed simple situations i have ever seen discussed on a bike tech forum; HANDS DOWN!

YOU DO NOT SHORT, "KILL" OR OPEN THE HOT WIRE ANYWHERE COMMON TO ANY OTHER CIRCUITS BEING FED BY THE KEYSWITCH. OPENING THE POWER LEAD TO THE IGNITION KILLS THE ENGINE (WITHOUT AFFECTING ANY OTHER DEVICES POWERED UPSTREAM FROM THE INPUT TO THE IGNITION BOX)

IN THE BASIC ELECTRONIC IGNITION (SPARX & BOYER, OTHERS MAY BE SIMILAR), GROUNDING EITHER TRIGGER WIRE (BLK/Y OR BLK/W) WILL KILL THE ENGINE.


Well done GP a simple topic turning into rocket science sanity prevails :-) IMHO keep it simple every extra connection/relay has a potential for failure.
 
rvich said:
I see we are driving GP nuts. Oh well, might as well hash it out.

Check your switch cluster again. I might be wrong on this, but I think the turn indicators get power via green-brown and not the white.

Good catch, I think you may be right on this. That would make more sense.

rvich said:
On mine it appears that the white wire provides power for this circuit at the flasher unit, then it goes via green-brown to the switch cluster and from there it is selected to go green-red or green-white. If this is the case on your bike that these switches are independent then your white wire is isolated to being used with either the white-yellow (normally closed) or white-red (normally open)

GP my apologies if this seems like whiping a dead horse. But I see the job of eliminating potential electrical failures as critical to enjoying the bike. I think Dave and I both agree that a kill switch is a good thing to have.

Russ

Russ is the first person in all these pages that actually made sense and knew what the wires in the handlebar switch did. Now it all comes together. That being said (and one last chance to give GP an aneurism) I still think that relying on a semi-exposed contact in the handlebar switch (the kill button) is more risky than a fully enclosed relay, especially one that defaults closed like the SPDT ones. I have already made up the correct wire to go from the white/yellow (from the kill switch) to the positive side of the coil and also to power the Boyer. I'll try this for now, although I also know how to wire it up alternatively for the relay.

And now the good news...

Kill Switch

Both sides installed.

Kill Switch

Clutch

Kill Switch

Brake

Kill Switch

The connections. I'll tidy them up and protect everything, especially after I've had a chance to test all the circuits.

Kill Switch

Someone mentioned protecting unused wires. Here's how I do it. I crimp on a female bullet connector (which really covers the end well) and then for extra protection put a short section of heat shrink on it. While it's still warm I pinch it closed. I think that should do it...
 
Much as I hate to be drawn into the topic again just 2 points...
The Commando wiring diagrams in the workshop manual are very simple in terms of what is wired where at the switch clusters :-) except for the kill switch which has been drawn as a push to make button (Normally closed). http://www.kpsec.freeuk.com/symbol.htm. Hence the confusion.
As for a normally closed relay for the kill switch the failure mode would be no kill function. I will happily be corrected on this. Also, oops point 3 adding a relay adds 2 connections and an extra component. I would go for a fully encloded simple toggle like Ludwig if I felt the need to lose the standard kill push button on the Lucas switch cluster.
 
Status
Not open for further replies.
Back
Top