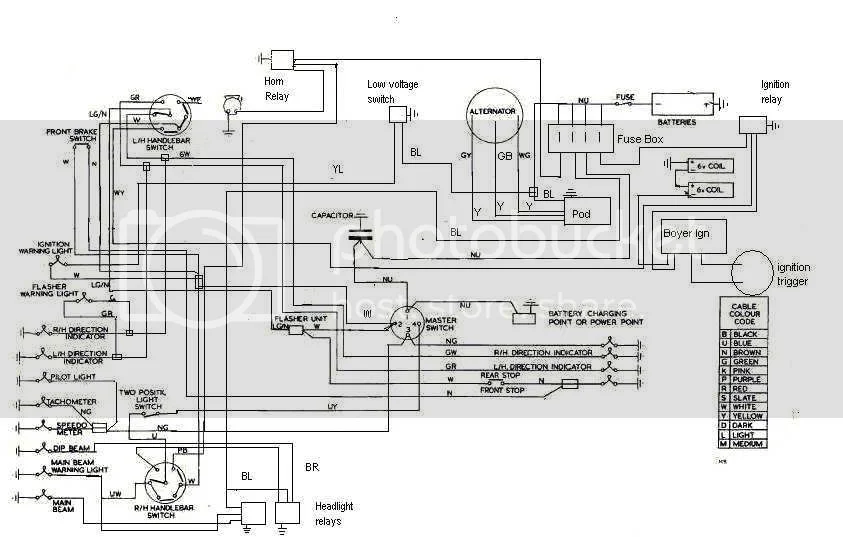
I have over the past wee while being rewiring my bike, 1, because the original was in a bad state, 2, that there looked like there was a lot of wiring that just took up space and 3, I asked you guys about fuses and relays and that seemed the way to go.
After much drawing of diagrams , re-drawing of diagrams, cutting, getting opinions, trying to get it through my thick skull how some things worked, (obvious to some but not to me at times!), crimping and everything else associated with wiring, it was, today, with some trepidation that I connected up the battery and turned the key...position "ON", I've got warning lights... press some buttons, I've got horn,stop light, indicators etc., and a headlight flasher which I didn't have before due to the wires being disconnected! .. Position "Lights"... got lights!!...Position "Park".... I've got park too!!! .. It's all working! I must admit I thought something wouldn't have been connected properly but it seems ok!
Even the soleniod is clicking, but haven't connected the starter wires yet, it is not a Norton soleniod and the bike had run with a Boyer before so there is only the Red/White wire from loom, I wasn't sure which connection to connect it to but went for the one that looked clean and it seems to be correct.
There were times when I got very frustrated and I thought "what the hell am I doing" should I leave it and get a standard loom? But I perservered and it looks like it's paid dividends.
So, everyone a big, big thank you to all for the help and encouragement as I've plodded my way through it!
