Ignition & Fusebox

Soldering a connection does make for superior conductivity. It also makes for a solid wire some small distance from the connection. This can and will create a problem when there is vibration. Witness the number of Boyer failures due to that exact same reason, a soldered connection. I use the proper crimping tool for a good connection. This allows the wire to flex without breaking.
 
You can really get into some battles over crimped VS solder can't you?
In some cases I use specal crimps that seal but in most cases I solder. If you just do the end it doesn't wick up much.
I'll have to look at the Boyer position when I do that, it may be a position for self sealing crimp connections.
It's interesting to me that I have had many more failures from corrsion on crimped connectors than I have from soldered ones. In commercial coast to coast use on big trucks and buses salt hurts us worse than vibration.
I know some military aircraft guys won't solder at all.
 
You make some good points, Cookie. There's a whole science devoted to crimping and stress relieving.

As for the Boyer, it's the pigtail wires from the pickup coils that are the offending party. A practical solution is to unsolder them from the board, then attach new wires with ring lugs (crimp connection) by using a bolt through the board. Obviously, they will have a bullet connection on the other end. I always reverse one bullet. Can't miss when I hook up.
 
My local auto parts stores just started carrying some interesting crimp on connectors. They have a thick shrink wrap already installed that act as stress relievers. The shrink wrap also helps to keep corrosion out of the joint, not a perfect seal, but better; and with a bit of something like dialectic grease could add years before failure.
With the crimped connectors on my Hondas I've noticed that although many of them have now failed due to corrosion, they did last 30 years in most cases. Some of them were originally sealed with rubber boots and I'm sure that helped until the rubber rots off.
About 20 years ago I tried installing some crimp ons with silicone sealer to seal them. This is kind of messy but was still working on the old GMC my brother owns in Maine last summer.
 
Honda did a much better job with the electrics than Norton/Lucas. I think the connectors you mentioned would do a pretty good job.
 
When I worked on my Nortons I always replaced the bullet connectors with soldered joints. Other than the magneto on my G15CSR being a pain when it rained I never had much electrical trouble with my Nortons.
I always hated those bullets on my Triumph TR3s, my Jags, and I think the Mini I had in Oz and the Anglia I had in Kiwi had them too. Now that I think of it the London Taxis I worked on had them too. They sure could hold water and corrode.
 
Just an update on the rewire. after hunting high and low on the bike for a place to put the relays I decided to make up this board in the pics. As my bike has an early airbox fitted it gives me a bit of room in the battery area. What I have done is made up a board with a fitting arm which bolts onto the same bolt as the airbox backplate, I fitted 3 of the 4 relays here, (the 4th for ignition will be near the headsteady), and the powerbox. I drilled a number of holes to allow me to secure some wires by cable ties. The securing arm has a multi spade connector to which I am going to use as an earthing point, 1 wire from the engine/frame and other earths connected to it. The wiring on the board still has to be tidied up a bit, but at least I'm making some progress.

http://i411.photobucket.com/albums/pp19 ... yblock.jpg

http://i411.photobucket.com/albums/pp19 ... ckside.jpg

Thanks again for all help
Robert
 
Hi all, am now nearing the final stages of my rewire and fitment of relays and fuses, however there is a couple of questions I'd like to put to you to make sure I've got it right, better to be safe than sorry.

http://i411.photobucket.com/albums/pp19 ... usebox.jpg


First one is, in the drawing in the link above you can see have run a wire from the ign switch to the fuseblock and split it to give feeds to the horn & aux. When doing a continuity test I get continuity between all the load ends and all the connections for example, say for instance, at the horn and connections numbered 2 & 3 as well as it's own connection(1), is this because they are all connected together by the fuses?
Secondly, if this is the case and I had different rated fuses for example a 5 amp on the aux and a 15amp on the horn, if there was a problem in the horn's circuit would the 5 amp aux fuse blow first?
Lastly if I have fuses in the fusebox why do I have to have fuses fitted to the relay feeds, is it because the are fed directly from the charging side/battery?
Sorry if that is a simple electrical question,but I would rather make sure!
Thanks
 
What is unclear from your diagram is how you are feeding the devices. If wires 1,2,and 3 run to the load side of the relay and and on to the device, are you feeding the switched side of the relay from the same fuse in the fusebox, or are you using the original harness and common fuse to operate the switches?
 
rbt11548 said:
First one is, in the drawing in the link above you can see have run a wire from the ign switch to the fuseblock and split it to give feeds to the horn & aux. When doing a continuity test I get continuity between all the load ends and all the connections for example, say for instance, at the horn and connections numbered 2 & 3 as well as it's own connection(1), is this because they are all connected together by the fuses?

There will be continuity because all three White wires are joined together ahead of the fuse box.


rbt11548 said:
Secondly, if this is the case and I had different rated fuses for example a 5 amp on the aux and a 15amp on the horn, if there was a problem in the horn's circuit would the 5 amp aux fuse blow first?

No, if, for instance, a fault developed in the horn circuit wiring, then it wouldn't blow the auxiliary or ignition circuit fuses, because the (DC) current would have to flow backwards across the two other fuses for that to happen.




rbt11548 said:
Lastly if I have fuses in the fusebox why do I have to have fuses fitted to the relay feeds, is it because the are fed directly from the charging side/battery?

The relay is just a switch, so whatever circuit it is part of, will still need a fuse.
 
Brilliant guys thanks , as I said it was to confirm and make sure it was correct.
Ron , sorry I should have shown it in the drawing, the wires are going from the fusebox to the various switches then to the relays, and the relays will feed the horn etc. Once I complete it I will do a wiring diagram for the bike.
Thank you !
 
So your plan is, for instance. splitting the circuit for the headlights at the fuse into two legs, one to the high beam/low beam switch and one to the load side of the low beam relay and jumpered to the high beam relay (and on to the respective headlight filaments). The hi/lo switch then proceeds to the switch side off each relay? In this way both sides of the relay are fused with the same fuse?
I don't see a problem with this, just trying to understand it.
 
Ron L said:
So your plan is, for instance. splitting the circuit for the headlights at the fuse into two legs, one to the high beam/low beam switch and one to the load side of the low beam relay and jumpered to the high beam relay (and on to the respective headlight filaments). The hi/lo switch then proceeds to the switch side off each relay? In this way both sides of the relay are fused with the same fuse?
I don't see a problem with this, just trying to understand it.

Hi Ron, I have included a diagram which hopefully will explain it better than trying to write it, the switches are drawn simplified, with the horn buttons etc not drawn.
As they say " a picture paints a thousand words"..... unless of course you are trying to describe some of Picasso's works :D
http://i411.photobucket.com/albums/pp19 ... elays1.jpg
 
I added a line to the drawing to clarify my question. As you drew the diagram, you seem to be using the separately fused circuits to trigger the relays, but do not show the power source for the load side. Are you planning to supply power to the load side of the relay from the same fuse?
To my way of thinking, it is more important to supply the load side from the individually fused circuit than the switching side. The switching side of the relay sees very little current.

I see nothing wrong with feeding both the switching current and the load current from the individually fused circuits, but if the plan is to supply the switching current from individually fused circuits and load current from a circuit shared with other devices, then you have defeated your purpose.

[
Ignition & Fusebox
 
Ron L said:
I added a line to the drawing to clarify my question. As you drew the diagram, you seem to be using the separately fused circuits to trigger the relays, but do not show the power source for the load side. Are you planning to supply power to the load side of the relay from the same fuse?
To my way of thinking, it is more important to supply the load side from the individually fused circuit than the switching side. The switching side of the relay sees very little current.

I see nothing wrong with feeding both the switching current and the load current from the individually fused circuits, but if the plan is to supply the switching current from individually fused circuits and load current from a circuit shared with other devices, then you have defeated your purpose.

[
Ignition & Fusebox

Hi Ron , the relays will be fed from the battery/charge side, I'm sorry but I don't understand when you say "defeated your purpose', I'm probably missing something in the text. It was wired after consulting lots of information and diagrams on wiring in relays.
 
I'm a little perplexed as to why some of you want relays for the head light. Are you burning out switches? I agree that any quality (non Lucas) horn needs a relay. I did have trouble with the original Lucas headlight switch when I went to a H4 bulb. I replaced it with a 30A toggle switch from my local discount house. I've never had a problem with the dip switch. I have an electronics background and quite well understand the Norton electrical system, but adhere to the KISS philosophy.
 
Robert,
Your relays are wired fine. Feeding the load side from "battery/charge" side is unclear. This side should be well fused as it is carrying the most current. It can be fed directly from the battery through an appropriate fuse. Your diagram showed fusing the switch side, which carrries little current, but did not indicate how you planned to fuse the load side where it is most important.
I often will feed the handlebar switches that control the relays through a single keyswitched circuit from the fusebox and the load side of the relays from individual fused circuits fed directly from the battery to the fusebox.
Jim,
If you measure voltage at the headlight connector you often will see less than 12 volts due to losses at the keyswitch, headlight toggle, hi/low switch and multiple bullet connectors. Relays give a more direct current/voltage supply to the headlight resulting in a brighter light with the same bulb. This even made a noticeable improvement to my BMW R1100RS.
 
Ron L said:
Robert,
Your relays are wired fine. Feeding the load side from "battery/charge" side is unclear. This side should be well fused as it is carrying the most current. It can be fed directly from the battery through an appropriate fuse. Your diagram showed fusing the switch side, which carrries little current, but did not indicate how you planned to fuse the load side where it is most important.
I often will feed the handlebar switches that control the relays through a single keyswitched circuit from the fusebox and the load side of the relays from individual fused circuits fed directly from the battery to the fusebox.

Hi Ron, I am sorry if I didn't make myself clear, it may be to do with me being electrically challenged, (as well as vertically challenged!!!), :oops: My relays are connected to a wire from the battery, the 2 headlight relays sharing a fuse and an earth, the relays for the horn and ignition have each got a fuse. Just when I had thought I'd got it wired bang on a seed of doubt went into my mind. The diagram was a mock up that I had drwan just to give me visual as I knew what was going where and feeding what, I should have realised that it wouldn't be clear to someone else.
Thanks for your patience, as I said I probably didn't explain it clearly[/b]
Apologies!
 
If you measure voltage at the headlight connector you often will see less than 12 volts due to losses at the keyswitch, headlight toggle, hi/low switch and multiple bullet connectors. Relays give a more direct current/voltage supply to the headlight resulting in a brighter light with the same bulb. This even made a noticeable improvement to my BMW R1100RS

True enough, and relays will tend to drop voltage as they age, too. Replacing an old relay when you have dim, yellow headlights can bring them back to life.
 
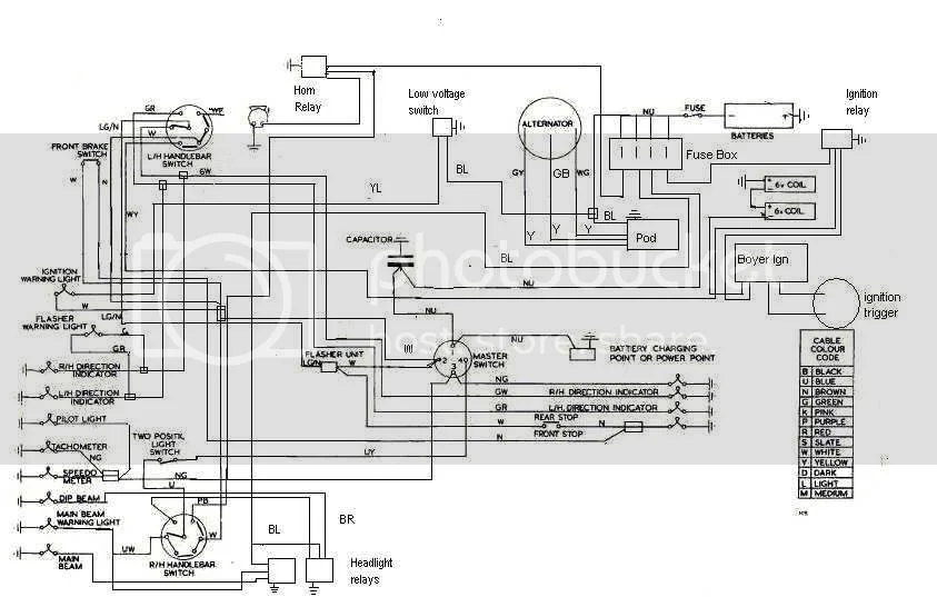
Here's a crude wiring diagram of my Interstate wiring. 3-phase Podtronic, Boyer, and 4-place fuse panel. There are probably mistakes on the diagram, but it works. Don't pay too much attention to wire colors. In reality I have kept to stock color scheme.
Ignition & Fusebox
 
Back
Top