Wiring for Super Dummies (Me!)

Status
Not open for further replies.
And here we go. It's big and if people can't see all of it, assuming anyone is even looking at this thread anymore, let me know.

Again, Negative Ground, Boyer, Dyna coil, and relays on Headlight, Horn and Ignition (to insure full power to the Boyer and provide insurance against an original kill switch). I think there might be some stuff that might still come out. I tried to keep as much of the stock colors as possible, which was easy as I basically traced the stock diagram.

Wiring for Super Dummies (Me!)
 
Looking at your drawing I have a question. I'm wiring my bike on a VERY simple format. I'll have ignition, lights (headlite and taillite, and horn, a kill switch too.)
Does full battery power go directly into the master switch, the key? Or is the switch looking image right out of the battery a fuse box that is right off the battery? I'm asking because this is what I have in mind. Battery w/ 14ga wire to fuse panel. The panel is dead until switched on and it is switched on via the master/key switch, 1st to IGN position where the fuse box terminal #1 becomes hot and gives juice to the ignition system, now I can start the bike. When master/key switch is moved to L (lights AND ignition) the switches # 2 & #3 also become hot. #2 is lights and #3 is horn. That's all I am running. No turn signals. I am looking at Eastern Beaver (great name) 3 fuse, fusebox, the 3 circuit solution, 3CS. I am planning on asking him to custom make the unit to change from the pictured unit, a one switching lead that fires all 3 fuses to instead have 2 switching leads, one lead will fire/energize one fuse/circuit, the IGN circuit, and the 2nd lead will energize circuits #2 & #3 and be connected to the master/key switch position L. The idea is to avoid running all the current into and out of the ignition switch. Am I running down the right path?
In the long run I will need to have a harness just like swooshdave, as it is more appropiate to handlebar switches and turn signals, but in the meantime I am going the stripped down route. I'll probably make a harness like Dave's to use later. Dave, your drawings are hanging on my workshop wall! :lol:
Kurt
 
Dave,

I have to admit I'm a bit confused.

Where is your fuse block? You showed a photo of it, but it appears to be missing from your schematic.

Where is your ignition module/coil? Boyer and Pazon demand less than 1 amp total, which means that you will not experience a voltage drop due to wire or contact resistance. The problem with Boyer units and low voltage is a depleted battery problem, not a high-current voltage drop problem.

Where is the voltage reference to your ignition light? Do you intend to eliminate this function? Old Brits sells a negative-ground assimilator, if you want to preserve the function.

You may want to preserve the convention that white wires are reserved for switched 12 v, and red (for negative ground) or blue-brown are used for unswitched 12v. This convention will help in the debugging phase.

The low beam bulb connection typically dissipates 80% of the power of the high beam. So, if you feel that you need a relay for the high beam connection, you will need one for the low beam as well.

All multi-position switches have a cross-tab code that relates switch position to post connections (the connections labeled 1 through 4 on your diagram). Placing it on your schematic will help in your debugging. Replacement switches are internally connected differently from the OEM Lucas switches.

What is your grounding scheme? I don't see multi-wire ground connections on the schematic.

Good luck, Dave. We're in the same time zone, if you want to chat.
 
See the picture, that is the way they are connected inside. Terminals #85 and #86 are the relay coil (not polarity sensitive) Terminal #30 is the common, terminal #87a is normaly closed and terminal #87 is normaly open. When the relay is energized, there is continuity between #30 and #87.



Jean[/quote]

Thanx Jean, Seeing the symbols of the relay make a world of difference to me :wink:

Great job Dave :!:
 
I feel like I failed a test. :mrgreen:

rick in seattle said:
Dave,

I have to admit I'm a bit confused.

Where is your fuse block? You showed a photo of it, but it appears to be missing from your schematic.
Until I have a fuse block I will not diagram it. I may purchase something similar but with different setup.

Where is your ignition module/coil? Boyer and Pazon demand less than 1 amp total, which means that you will not experience a voltage drop due to wire or contact resistance. The problem with Boyer units and low voltage is a depleted battery problem, not a high-current voltage drop problem.
There is a Boyer box and Dyna Coil. Am I missing something? So there isn't a lot of amperage going to the coil?

Where is the voltage reference to your ignition light? Do you intend to eliminate this function? Old Brits sells a negative-ground assimilator, if you want to preserve the function.
Can I put in a resistor and a small LED so that when the ignition is on the LED lites? I was going to do something similar for the high beam warning light. I put it in the previous diagram but didn't put it here yet.

You may want to preserve the convention that white wires are reserved for switched 12 v, and red (for negative ground) or blue-brown are used for unswitched 12v. This convention will help in the debugging phase.
Excellent idea. I didn't know what the convention was for. Isn't Black typically used for negative ground?

The low beam bulb connection typically dissipates 80% of the power of the high beam. So, if you feel that you need a relay for the high beam connection, you will need one for the low beam as well.
Ah, yes, I was going to put in the Single Pole Double Throw Relay in there. I think that will work.

All multi-position switches have a cross-tab code that relates switch position to post connections (the connections labeled 1 through 4 on your diagram). Placing it on your schematic will help in your debugging. Replacement switches are internally connected differently from the OEM Lucas switches.
I still need to work those out. For example I'm a little vague on the handlebar switches and the ignition switch.

What is your grounding scheme? I don't see multi-wire ground connections on the schematic.
Assumed.

Good luck, Dave. We're in the same time zone, if you want to chat.
I've got a while before I get to cutting wire. :mrgreen:
 
Don't sweat it Dave, As you get going it will all come together. I was a little concerned when I started mine but as you go these guys here will give you all the help you need. All you have to do is get it started with ignition and then lights and so on, It's really not that hard. Just take your time and have fun with it. The charging system is easy.
 
Hey, Horton, I keep going back to the full-size photos of your bike that you sent when you got it finished, just to drool.
 
I still have the police interpool tank to finish and the ammo can brackets and bag to go, Then make up the cammo tank bag to fit in the radio box. The black tank is just a temporary one, Still need to make the tank bag before sending real one out for paint. I'm having so much fun riding it I spend more time on the road than in the garage. It was 80 here this weekend so I took it down the coast for a nice early morning ride, Wish it would rain on the weekend . That would keep me home to finish it. LOL, Glad you like it, Thanks Paul. Have you talked to Kenny lately? He had said he was working on a new type of gaskets for the Norton, Just wondering if he had them done.
 
Are you guys done hijacking this already lengthy thread? :mrgreen:

SPDT Relay : (Single Pole Double Throw Relay) an electromagnetic switch, consist of a coil (terminals 85 & 86), 1 common terminal (30), 1 normally closed terminal (87a), and one normally open terminal (87).

When the coil of the relay is at rest (not energized), the common terminal (30) and the normally closed terminal (87a) have continuity. When the coil is energized, the common terminal (30) and the normally open terminal (87) have continuity.

The diagram below center shows the relay at rest, with the coil not energized. The diagram below right shows the relay with the coil energized. As you can see the coil is an electromagnet that causes the arm that is always connected to the common (30) to pivot when energized whereby contact is broken from the normally closed terminal (87a) and made with the normally open terminal (87).

Will this actually work? I assume if that when the key switch is turned to "Lighting + Ignition" power will go to the Dip Beam through the coil. Then when you hit the Main Beam switch the relay activates.

Wiring for Super Dummies (Me!)
 
swooshdave said:
Are you guys done hijacking this already lengthy thread? :mrgreen:

SPDT Relay : (Single Pole Double Throw Relay) an electromagnetic switch, consist of a coil (terminals 85 & 86), 1 common terminal (30), 1 normally closed terminal (87a), and one normally open terminal (87).

When the coil of the relay is at rest (not energized), the common terminal (30) and the normally closed terminal (87a) have continuity. When the coil is energized, the common terminal (30) and the normally open terminal (87) have continuity.

The diagram below center shows the relay at rest, with the coil not energized. The diagram below right shows the relay with the coil energized. As you can see the coil is an electromagnet that causes the arm that is always connected to the common (30) to pivot when energized whereby contact is broken from the normally closed terminal (87a) and made with the normally open terminal (87).

Will this actually work? I assume if that when the key switch is turned to "Lighting + Ignition" power will go to the Dip Beam through the coil. Then when you hit the Main Beam switch the relay activates.

Wiring for Super Dummies (Me!)

If you could find out what connects to what in the different positions, it would help a lot, but just looking at that switch diagram, I have no idea :|

Jean
 
Jeandr said:
If you could find out what connects to what in the different positions, it would help a lot, but just looking at that switch diagram, I have no idea :|

Jean

Wiring for Super Dummies (Me!)
 
Those diagrams are useless :roll:

Wiring for Super Dummies (Me!)


On this diagran from my RD400, you can see switches # 9, 10, 11, 12, 13 and 17

It is easy to see on switch #9 that in the OFF position, there is no connections, in position 1, all terminals are connected together and in position 2 only the two outside ones are connected. The same goes for the other switches, all easy to figure out.

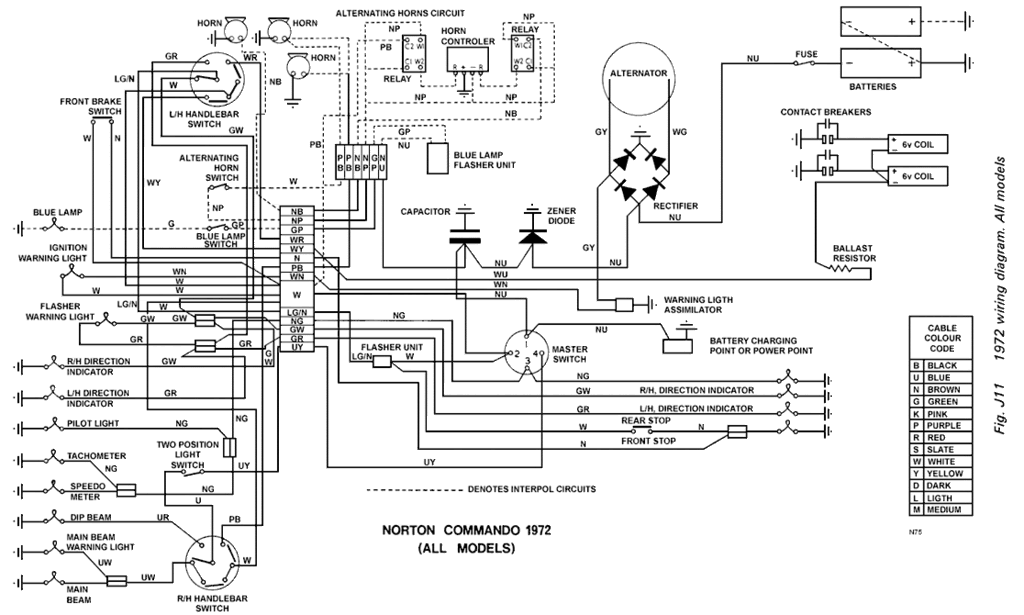
On the Norton diagrams, there is no mention on the number of positions, no idea what unidentified terminal connects to which unidentified terminal :roll:

What I usually do is take the switch ohm out the contacts and draw it out in an understanable way, then I integrate it into my drawing. On one control, you may have the horn totally separate from the dip switch which is again separate from the light switch. I draw each one separate as they are, mark which color goes where, then I know where I am going. To me that is the only way.

Jean
 
Wiring for Super Dummies (Me!)

Lets keep it with original Lucas parts!! This is a 28RA relay (1982 build date) from my days at Lucas UK. NOS and never used in anger, must be worth a lot of £'s/$'s!! Been thinking of using as headlight relay but I never got round to working out wiring and keeping all functions so thanks for the diagrams gents.
The revived Lucas company still lists this part BTW.
 
You should have wrapped it up and kept it in the freezer, it looks like it failed just waiting to be used :mrgreen:

Jean
 
Status
Not open for further replies.
Back
Top