Wiring for Super Dummies (Me!)

Status
Not open for further replies.
Dave if you are in fact going to use the stock switch gear I highly recommend using the relays on your horn and lights, Just do a little test with and without. My horn is one of the most important things on my bike just after the brakes, Then having a good halogen headlight. And if installed correctly will last for many years, There's a good reason they are so widely used on new cars and motorcycles. :roll:
 
Hortons Norton said:
Dave if you are in fact going to use the stock switch gear I highly recommend using the relays on your horn and lights, Just do a little test with and without. My horn is one of the most important things on my bike just after the brakes, Then having a good halogen headlight. And if installed correctly will last for many years, There's a good reason they are so widely used on new cars and motorcycles. :roll:

Yes, headlight and horn for relays. Just won't need them for the tail light and I'm not sure why it would be needed on the ignition unless there was a severe power loss through the ignition switch. I am going to run a Boyer (for a while at least) and as long as it gets enough juice I'm happy.
 
Yea I didn't use one there either, And you can also get away with just one on the headlight. I forget what that kind is called but I will check that for you or maybe someone here knows. It's on low until you flip to high and then the relay switches to high, But both high and low go through the relay. Chuck.
 
A relay for ignition is often a fix for old components on used or old bikes only because of the tortuous path often taken to bring power to the ignition circuits, like from the fuse to the main switch near the instruments, then out to the kill switch and then to the ignition module and that is not mentioning the many connections. When a bike is new, there is no need for a relay otherwise it would have been there from the onset and the bike only needs to be reliable past warranty for an unscrupulous maker, to establish a reputation of long time usage, then everything must work correctly for years after the warranty has expired yet no manufacturers put relays "just in case"

My horn is very loud and I have no relay, the lights are bright without a relay as well. For sure changing a sealed beam for an H4 will give more light, but even at 65 watts, an H4 only draws a bit over 5 amps which is easily carried by #14 wires and handled well by new switches. 65 watts is almost half of what a stock alternator can put out, so not much left for ignition, tail light, indicators and horn, the best improvement is obviously a higher output alternator and a good regulator, after this has been done, then consider relays.

That being said, if a customer would ask for relays, I would put them in :wink:

Jean
 
Hortons Norton said:
Yea I didn't use one there either, And you can also get away with just one on the headlight. I forget what that kind is called but I will check that for you or maybe someone here knows. It's on low until you flip to high and then the relay switches to high, But both high and low go through the relay. Chuck.
Hi Chuck, That's called a Single Pole Double Throw (SPDT) relay. These guys describe them well.
http://www.the12volt.com/relays/relays.asp
I've got to say that if you are going to be using stock switch gear, especially the dreaded but necessary kill button, then a relay could be heplful. I bought a new set of stock switches with a kill button that was filled with flux and crap that caused intermittent starting problems. It may have been the straw that broke the camel's back, in that it could have been the sum of several poor contacts and connections; but I said screw this. Relays for the lights and ignition. The wiring harness never carries more than about one amp, and that's about as far as I trust it. Plenty of modern bike use relays, even Harleys.
 
Jeandr said:
A relay for ignition is often a fix for old components on used or old bikes only because of the tortuous path often taken to bring power to the ignition circuits, like from the fuse to the main switch near the instruments, then out to the kill switch and then to the ignition module and that is not mentioning the many connections.

That being said, if a customer would ask for relays, I would put them in :wink:

Jean

Oh, that's right, I had thought about putting the relay in the ignition circuit to compensate for the old switch gear.
 
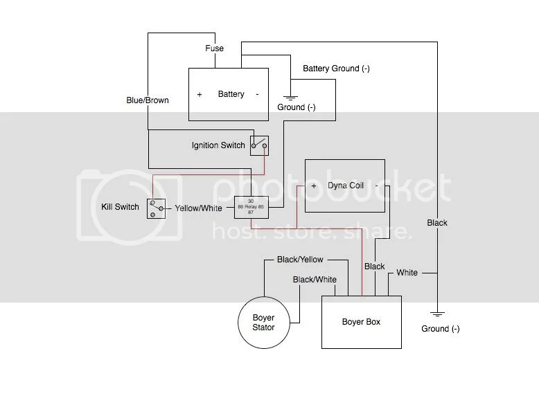
These should be the final diagrams for now.
Wiring for Super Dummies (Me!)

Power

Wiring for Super Dummies (Me!)

Ignition

Wiring for Super Dummies (Me!)

Lighting

Wiring for Super Dummies (Me!)

Turn Signals

Wiring for Super Dummies (Me!)

Brake Light

Now the question is to try to follow the stock wire color codes or find some way to label the wires. If I go with the stock colors it may be cheaper to buy a stock harness and take it apart and add any wires I need (like ground wires) and wrap it back up.
 
Thanks for the help Bob, Even though I have one of the SPDT relays in the 72 and made the harness only about 7 months ago I could not remember what it was called. What is also nice is that these relays fit inside the headlight bucket. The horn I am using is from a Honda CBR that is mounted under the tank on the underside of the coil bracket, Being out in the open rather than buried in the bike it sounds much louder. And living in Southern California you need a loud horn, Trust me on this. :mrgreen:
 
For some strange reason, these diagrams look familiar :wink:

The only advantage to a stock harness is to have all the terminals at the right place and to have a stock color code, you may still have to cut and hack it up since your plan is not like a stock bike. By doing it yourself, you will have exactly what you need and you can use better quality terminals. CNW sells them, but the same can be ordered from McMaster Carr ( http://www.mcmaster.com/# ) look for the heat shrink insulated snap plug terminals, these are of a much higher quality than what is on the stock harness and they have hot melt glue in the heat shink sleeve to really lock the wire in. Also by doing it yourself, you won't have to split your brain trying to peice it all together.

Good luck

Jean
 
Hi Guys,

I would like to add a few philosophical points about designing and building new Norton harnesses that have not appeared in this discussion.

Protect the ignition circuit

The ignition circuit must be protected from failures in ancillary circuits on the bike. This is NOT accomplished by a single series fuse on the supply. Lighting, horn, and power take-off must be separately fused to allow the bike to safely get home in the event of an electrical failure. In my own loom for my Mk3, I included a master fuse (40 amp) in series with the battery, but this is simply a convenient way to isolate the battery for debugging and storage. Modern fuse blocks allow for a rational protection scheme.

Relays?

Lighting the bike, required in all states at all times, draws 5 amps. My original loom used AWG 18 to provide lighting power, which represented over 100 milli-ohms of series resistance. Furthermore, there were three series switches (ignition, headlight/pilot, and headlight dip) in the circuit that totaled another 100 milli-ohms of series resistance. The net result, often cited in this thread, was a bulb that never saw more than 11.5 volts, and thus operated at only 85% of its designed output power. As the switches age (mine are new at the moment), the lighting power decreases even more as the switch contact resistances increase. So the observation that adding relays increases headlight intensity (and horn intensity) is very real.

Jean's point that relays present a potential failure point is true. We are obliged to operate relays in a higher humidity and vibration environment than, say, my Dodge truck. Still, no bikes produced today are built without relays in the lighting and horn circuits. Moreover, the circuits under discussion here are ancillairy to running the bike; whatever the potential failure probability is, both headlight relays would have to fail simultaneously to lose lighting, and even then the bike could still be operated while the rider finds a safe place to stop. Relays fail open, in the excitor circuit, and will not bring the ignition circuit down with them.

Adding a relay in the ignition circuit seems to me to be a particularly bad idea, as this circuit must be isolated and protected from failure. But relays in the lighting and horn circuits, IMHO, bring benefit with very little downside.
 
Jeandr said:
For some strange reason, these diagrams look familiar :wink:

They should. But it's one of those exercised that unless you sketch it out yourself you'll never understand it as well. Thank you for providing the templates for me to learn from.
 
rick in seattle said:
Hi Guys,

I would like to add a few philosophical points about designing and building new Norton harnesses that have not appeared in this discussion.

Protect the ignition circuit

The ignition circuit must be protected from failures in ancillary circuits on the bike. This is NOT accomplished by a single series fuse on the supply. Lighting, horn, and power take-off must be separately fused to allow the bike to safely get home in the event of an electrical failure. In my own loom for my Mk3, I included a master fuse (40 amp) in series with the battery, but this is simply a convenient way to isolate the battery for debugging and storage. Modern fuse blocks allow for a rational protection scheme.

Yes, did you see the fuse panel in a previous post?

Relays?

Lighting the bike, required in all states at all times, draws 5 amps. My original loom used AWG 18 to provide lighting power, which represented over 100 milli-ohms of series resistance. Furthermore, there were three series switches (ignition, headlight/pilot, and headlight dip) in the circuit that totaled another 100 milli-ohms of series resistance. The net result, often cited in this thread, was a bulb that never saw more than 11.5 volts, and thus operated at only 85% of its designed output power. As the switches age (mine are new at the moment), the lighting power decreases even more as the switch contact resistances increase. So the observation that adding relays increases headlight intensity (and horn intensity) is very real.

Jean's point that relays present a potential failure point is true. We are obliged to operate relays in a higher humidity and vibration environment than, say, my Dodge truck. Still, no bikes produced today are built without relays in the lighting and horn circuits. Moreover, the circuits under discussion here are ancillairy to running the bike; whatever the potential failure probability is, both headlight relays would have to fail simultaneously to lose lighting, and even then the bike could still be operated while the rider finds a safe place to stop. Relays fail open, in the excitor circuit, and will not bring the ignition circuit down with them.

Adding a relay in the ignition circuit seems to me to be a particularly bad idea, as this circuit must be isolated and protected from failure. But relays in the lighting and horn circuits, IMHO, bring benefit with very little downside.

Perhaps so, but there is an opportunity to wire in an emergency bypass for the ignition relay. I'm just more concerned with the kill switch (and an old one at that) as I have heard multiple stories of failed ignition from that spot.
 
Dave,

Yeah, I have the identical fuse block on my machine. It allows for a big master fuse and several sub-circuit fuses.

While suddenly losing your horn or,say, low beam while at highway speeds can be dealt with in a relaxed manner, suddenly losing ignition at 70 mph due to a failed relay has more serious consequences. The former is a matter of inconvenience, the latter is a matter of personal safety.

I share the general state of unease about the kill switch. I renovated the original switch (disassembly,media blasting, and washing in contact cleaner). As the current is small through the switch, it seems robust enough to work in its normally closed state. Still, I never use it, and always rely on the ignition switch to kill the engine. I just bought a modern bike, however, and the manual INSISTS that the kill switch be used to stop the engine, not the ignition switch. No reason is given, and I haven't a clue as to why this is important. I recall that other forum members reported having shunted the kill switch permanently in the ignition harness.
 
Just at quick glance I see you are haveing your relays powered when the key switch is switched on, why not use your light switch or horn button or what ever drive your relay and have your higher power go through the relay, that way your relay isn't "on" continuously and your switches only drive the relays.
 
Nortasaki said:
Just at quick glance I see you are haveing your relays powered when the key switch is switched on, why not use your light switch or horn button or what ever drive your relay and have your higher power go through the relay, that way your relay isn't "on" continuously and your switches only drive the relays.

I lost you there. Can you draw an example or use one of mine a discribe the wires and relay numbers you'd use?
 
Nortasaki said:
Just at quick glance I see you are haveing your relays powered when the key switch is switched on, why not use your light switch or horn button or what ever drive your relay and have your higher power go through the relay, that way your relay isn't "on" continuously and your switches only drive the relays.

They are done right, the key switch is only handling low current relay coils and control switches. the only thing that could be modified would be to add fuses to the different circuits, that way if a light circuit or horn takes a fuse, then you can keep going.

Jean
 
Sorry, I'm not familiar with that relay, is it solid state or mechanical ? At what connections is the coil and what is the relay contact. I work with machine tool controls, I am indeed not an engineer, just not used to seeing schematics drawn this way. :wink:
 
Nortasaki said:
Sorry, I'm not familiar with that relay, is it solid state or mechanical ? At what connections is the coil and what is the relay contact. I work with machine tool controls, I am indeed not an engineer, just not used to seeing schematics drawn this way. :wink:

As you may have guess I'm not an electrical engineer so I just draw them so I understand them. :mrgreen:
 
Nortasaki said:
Sorry, I'm not familiar with that relay, is it solid state or mechanical ? At what connections is the coil and what is the relay contact. I work with machine tool controls, I am indeed not an engineer, just not used to seeing schematics drawn this way. :wink:

See the picture, that is the way they are connected inside. Terminals #85 and #86 are the relay coil (not polarity sensitive) Terminal #30 is the common, terminal #87a is normaly closed and terminal #87 is normaly open. When the relay is energized, there is continuity between #30 and #87.

Wiring for Super Dummies (Me!)


Jean
 
Status
Not open for further replies.
Back
Top