Looking for simple ignition wiring diagram for 65 Jubilee

I see a Jubilee/Navigator diagram on line that shows positive earth with two coils and what looks like one distributor/points(?)
(Click twice for the full-size image)
Looking for simple ignition wiring diagram for 65 Jubilee



The bike currently has a negative earth and some very dodgy looking home made wiring, which is probably why it all burnt up in the first place.

Has it been converted to 12V?
 
One thing I just thought of though, I have a positive connection from the battery to one terminal on the coil and then from that coil to the other coil - not two separate connections from the battery.
The bike currently has a negative earth and some very dodgy looking home made wiring, which is probably why it all burnt up in the first place. I'll redo it tomorrow with a positive earth and individual connections from negative to the coils.

It sounds as if it could be wired as a wasted spark system using one set of points?

If you remove the link wire between the coils then it probably won't work?
 
It sounds as if it could be wired as a wasted spark system using one set of points?

Anything’s possible, but on my Jubilee each set of points opened once every two crankshaft turns.

One set of points couldn’t fire both cylinders.
 
Reading the manual, you could come away with the impression that the timing should be set to 30 degrees BTDC. It actually should be 32 degrees on the 250. It makes a difference!

30 degrees is for the 350 Navigator.
 
Tried changing to positive earth and a separate positive connection to each coil, same result though, good spark on one coil, nothing on the other. Swapped plug, HT leads and wiring again, just to make sure.
Also took the readings with multimeter again, same ohms.
I saw on Youtube a way of testing a coil by connecting it directly to the battery with the plug attached. I think I'll try that next as it looks like it might be the faulty coil.
 
Tried changing to positive earth and a separate positive connection to each coil, same result though, good spark on one coil, nothing on the other. Swapped plug, HT leads and wiring again, just to make sure.
Also took the readings with multimeter again, same ohms.
I saw on Youtube a way of testing a coil by connecting it directly to the battery with the plug attached. I think I'll try that next as it looks like it might be the faulty coil.
Are your coils 6v or 12 ?
 
I think I must be missing something here though. Should I have one set of points or two? I only have one set (that I can see, anyway), and not sure about the cam. But from each coil there is one connection going into the crankcase, and then I suppose to the points??
 
Should I have one set of points or two?

Under normal circumstances, two (see the Fig.33 drawing on the page I posted)

But from each coil there is one connection going into the crankcase, and then I suppose to the points??

Yes, under normal circumstances each coil should connect to its own set of points.
If the wire connecting one coil to the other you mentioned previously goes to the same polarity terminal of each coil (so from coil1+ to coil2+ (as the polarity has been changed to negative earth) then probably isn't wasted spark but seems to have one set of points missing.
 
OK, its official, I'm a dick. Apologies! Going by the diagram above, I can see, there are of course, two sets of points. I didn't really realise what I was looking for. Thanks for the pic.
Having found the other set of points, they looked rusty. So having cleaned them up and making sure that they did in fact open and close, I connected everything up the same way as I had done before, and lo and behold, on checking again - I now couldn't get a spark from either coil. Swapped all the connections again and tried everything separately but no spark on either. The coils are marked 6v.
Gave up, trying again tomorrow. Thanks again for all the advice.
 
Also, please could you advise what manual that pic came from? I definitely need some documentation.
 
OK, its official, I'm a dick. Apologies! Going by the diagram above, I can see, there are of course, two sets of points. I didn't really realise what I was looking for. Thanks for the pic.
Having found the other set of points, they looked rusty. So having cleaned them up and making sure that they did in fact open and close, I connected everything up the same way as I had done before, and lo and behold, on checking again - I now couldn't get a spark from either coil. Swapped all the connections again and tried everything separately but no spark on either. The coils are marked 6v.
Gave up, trying again tomorrow. Thanks again for all the advice.
You are definitely not a dick
All you have done is learnt something like we all do and you have made progress
There's a huge difference
 
Tomorrow? It is only 9am and you aren't out in the shed slaving for our edification?
...and don't tell us you have to go earn a living. This is AccessNorton and we are all
zealots. :)
 
And you're so right of course ..... so, I rushed back to the shed for round three.
I got a spark again but again, only on coil 1. So I swapped round the connections from the coils to the points, and then got a spark from coil 2 and not from coil 1.
As I had swapped round the plugs and the HT leads, it led me to think that the coils were OK but that problem was with the points or the condenser. As I mentioned before, someone had done a job on the points and all the screws were damaged. I'm going through my new manual to learn about the points and condenser - removal and testing etc
I think that's my next step. Assuming that the timing hasn't been messed with previously, I should be OK getting them back again?
 
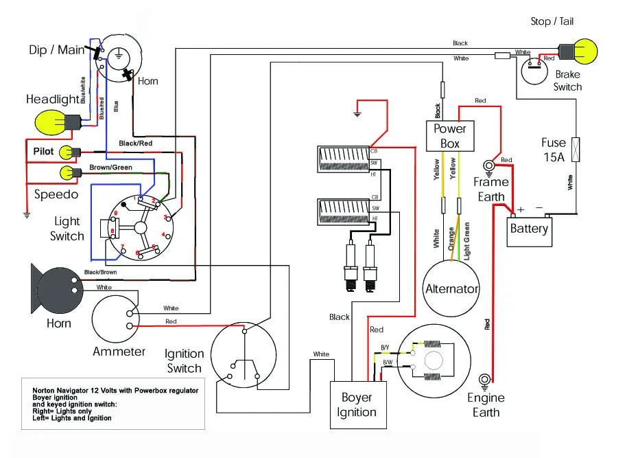
Hello Jack,
I own a 1961 Norton Navigator and made a 12 Volt conversion to run a Boyer electronic ignition.

I used the Wipac rotor in combination with a 12 Volt Lucas stator. Works fine for me. Amperemeter is mostly on the plus side when riding.
Looking for simple ignition wiring diagram for 65 Jubilee


Ignition timing is crucial for the Norton Lightweights! I already burned two sets of (hard to get) pistons because of wrongly adjusted ignition!

I wired my Navigator according to this diagram:
Looking for simple ignition wiring diagram for 65 Jubilee


On my bike the right switch on the headlamp is not wired at all and will be converted into an ignition switch with a key.

https://www.nortonownersclub.org/node/13522
 
The jubilee and navi had 2 6v coils and a pair of points, no distributor as such, as well as the auto advance wearing out, one set of points is on the same plate as the other making accurate timing difficult and retaining it equally as problematic as they wear. Most people who are riding them regularly switch to 12v and electronic ignition which solves the problem. There’s a page about it on the NOC website. As said before the engines get rattly but this is pretty normal and due to the valve train set up. Good news is that if it is a 65 then the layshaft bush should be pegged which will stop it spinning and ruining the cases.

I should add that 6v wipac coils are hard to find I think the sort that are available have the ht exiting straight which can be a pain to fit (I’ve not tried)
 
Back
Top