Negative earth wiring diagram

Status
Not open for further replies.
Joined
Sep 26, 2011
Messages
28
Country flag
G'day all

I am in the process of returning my 1973 850 Commando to the road. At the moment everything works fine and the bike starts and runs well. Every thing is standard except an original 90's Boyer ignition. I have read a few topics on this site re the benefits of -ve earth. Has anyone produced a full wiring diagram for this conversion? If so where would I locate a copy? I am unable to ride at the moment so I have ample time to make the conversion - keep me out of trouble.

thanks in advance

george
 
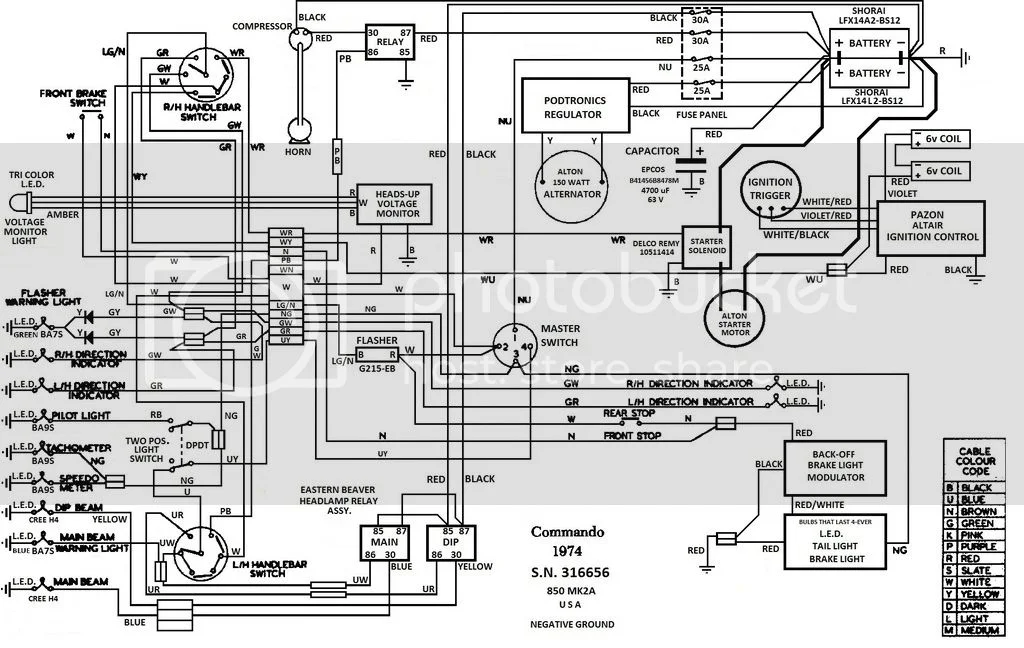
I do not have an "original" diagram, but here is one that I have modified to reflect the negative earth wiring of my '850
Negative earth wiring diagram
 
I'm not afraid to look stupid here so I'll ask a question hoping to learn something. What's the advantage of going to a negative ground system??
 
Mo proper terms is Positive Earth or Negative Ground. Zenars and assimulator are polarity sensitive so solid state rect/reg is way around that. If reversing polarity its labor and mind and future owner saver to start from scratch and remove the many excess/useless confusing narrow space route blocking police circuits which are mostly dead end and double back loops of red positive earth returns that may negatively short to other stuff if battery terminals switched on them.
 
hobot said:
Mo proper terms is Positive Earth or Negative Ground.

Thats debatable. Very debatable.
Negative earth gets 35,000,000 google hits, and negative ground ~22,000,000.
So its probably only a regional/american thing.

I simply bought +ve ground led lamps.
Much easier than changing the wiring polarity.

And then forgetting one day, and frying the lot....
 
I have never had any problems with Positive earth, I have had more problems with negative earth systems and it seem to get more corosion on the battery ternmals, I never had that problem with + earth, but running my J/H maggie I now only run 4 main power wires and one earth wire in my whole wiring system, the less wiring you have the less problems you will have, simplity is the way to go, but another thing I have done is I don't run my earth wire in with the main power wiring harness.

Ashley
 
positive or negative ground . . .

the electrons don't care. do what is best for your intended machine. if you're sticking with the original system, then there's no reason to modify it. if you want to add modern stuff, then negative ground is in your future, and is not hard to do. i have LED lights, data loggers, radar detectors, and A/F meters, so negative ground is where i am.

i don't care about originality, so i just take my whole wiring harness and reverently store it in a box for future archeologists. for the present, i do my own:

Negative earth wiring diagram
 
Doesn't look too Commando like, does it.?

Some folks like to take simplicity, and make it into rocket science...

Cheers !
 
"commando-like?" is that important, somehow?

no, this is my 72 bonneville. my commando is next on the list. this system took me one morning to wire, last week. it has podtronics charging, an ancient boyer ignition, and a brake light, with a fuse for each. two plugs per cylinder, using dynatek coils.

i threw out the two old zener diodes, the rectifier, the entire head/tail/turn system, and anything else that isn't necessary to make it go fast.

"simplicity" is sitting on the side of the road waiting for the trailer. i don't do that anymore.
 
Electrons flow direction establishes polarity to protect various components and where currents of corrosion decay will be seen most, at battery terminals in grounded systems or distant terminals/connections in earted systems. Thank ole Bennie Franklin as occult alchemist naming electrical polarity by flow direction rather than the more clear physicists of the day by electron charge polarity of the battery cells.

Which magnetic polarity is the red side of compass needles? What is polarity term do physicists apply to the magnetic polarity that exists up north inside Arctic Circle?
 
speedrattle said:
"commando-like?" is that important, somehow?
.

Why not show the electrics for a fuel injected superbike then....
This is a Commando Forum, after all.


We hope you have a nice diagram explaining all for the next owner. !!
 
Rohan said:
speedrattle said:
"commando-like?" is that important, somehow?
.

Why not show the electrics for a fuel injected superbike then....
This is a Commando Forum, after all.


We hope you have a nice diagram explaining all for the next owner. !!


rohan, what's your problem?

i ride my bikes-- hard and fast, like they were designed. i don't worry about what somebody else will do with them when i'm dead.

are you saying that a commando isn't a real commando unless it's slow and unreliable?

i disagree.
.
 
My point was that this is a COMMANDO forum. !
Yea, never have I heard that fancy electrics alone can make a bike go faster....
 
Rohan said:
My point was that this is a COMMANDO forum. !
Yea, never have I heard that fancy electrics alone can make a bike go faster....

again, what's your problem, rohan?

please elaborate.
 
Do you think posting Commando wiring stuff on a Triumph forum would help them any ??
Or make them go any faster, really ?

Post or show something of your Commando.... ?
 
Negative earth wiring diagram


This is my hand drawn diagram that I actually built the harness to. I used the Fuzeblocks fuse box which has a relay to turn on all the fused circuits. It makes it so the ignition switch only does one thing and if you get low on voltage for the relay you can just move one fuse and power the ignition without the switch. I also did most of my connection inside the headlight with the handle bar switch wires going forward into the head light instead of turning back under the tank. I used a headlight harness and got the correct color wires from two other wiring harnesses. I tried to keep everything sort of laid out how it is on the bike. Those little unlabeled filaments inboard of the blinkers are the instrument lights. I also added a nifty little voltage indicator to the center of the three indicator lights on the headlight which turns green above 12.5 volts. This is all negative ground and I also have the Rita diagrams for running one with negative ground.

Positive earth has advantages according to a good electrical friend of mine. Seems it is correct that battery terminal corrosion is less. I think NASA still uses pos. ground for their stuff. Any way, I went negative and it is working fine.
Cheers, Dan.
 
aussie said:
G'day all

I am in the process of returning my 1973 850 Commando to the road. At the moment everything works fine and the bike starts and runs well. Every thing is standard except an original 90's Boyer ignition. I have read a few topics on this site re the benefits of -ve earth. Has anyone produced a full wiring diagram for this conversion? If so where would I locate a copy? I am unable to ride at the moment so I have ample time to make the conversion - keep me out of trouble.

thanks in advance

george

A few threads I have book-marked on the topic that may be of interest:

practical-custom-wiring-t6551.html
please-review-wiring-plan-t18894.html
another-one-brought-back-life-t17533.html
relays-for-dummies-t20354.html
 
speedrattle said:
positive or negative ground . . .

the electrons don't care. do what is best for your intended machine. if you're sticking with the original system, then there's no reason to modify it. if you want to add modern stuff, then negative ground is in your future, and is not hard to do. i have LED lights, data loggers, radar detectors, and A/F meters, so negative ground is where i am.

i don't care about originality, so i just take my whole wiring harness and reverently store it in a box for future archeologists. for the present, i do my own:

Negative earth wiring diagram


Whats with all the fuses, I only run one fuse, have never had any problems with it my orginal wiring was rewided to a simple system when I convered it to the Featherbed frame in 40 years of ownership I have never had any problems with + earth.

Ashley
 
Rohan said:
Do you think posting Commando wiring stuff on a Triumph forum would help them any ??
Or make them go any faster, really ?

yes. the electrons don't care what the name on the tank is.

Post or show something of your Commando.... ?

sure, i'll get around to that.
 
Status
Not open for further replies.
Back
Top