Carburetor models doubt on MK3

Status
Not open for further replies.
I opened the carburetors cubes and happily they are in perfect condition with new floats, jets and gaskets!
I will just need to replace the external fuel hoses to test them.

It seems that the guy who sold me the bike was right ant trustable when he told me the engine was fully restored with 0 kms on it. Test run and time will tell.

View attachment 102955
View attachment 102956
View attachment 102957
I was just looking at your carburetors and wondering how you would go about adjusting the idle mixture and idle stop screw? It appears that the left hand carburetor adjustment screws are up against the right hand carburetor.

If you ever want to install the original type air filter, the Norton carburetor adapter sleeves may not thread on to the carburetors. That's assuming those carburetors were made in Spain. I have a Spanish made Amal and the threads look the same but are a little larger on the Spanish made AMAL. The British adapter sleeves are just too tight to thread on. Alternatively, the Spanish adapter sleeve slips on a British made AMAL without screwing it on, it is just too big. It's just something to think about.


Peter Firkins
 
You are very right, the problem I face is that both carburetors are exactly equal both being the right hand model. I do not worry about the original air filter but my problem is how to reach the left carburetor idle stop screw (With a long screwdriver I have being able to reach the idle mixture one).
A possible solution would be to buy the left hand carburetor but it must be exactly equal and I don´t know where to get it from.
 
You are very right, the problem I face is that both carburetors are exactly equal both being the right hand model. I do not worry about the original air filter but my problem is how to reach the left carburetor idle stop screw (With a long screwdriver I have being able to reach the idle mixture one).
A possible solution would be to buy the left hand carburetor but it must be exactly equal and I don´t know where to get it from.

I do not believe new MK 1.5 carbs are available anywhere.

But even if they were, it would be false economy to buy another incorrect (undersized) carb when the correct ones are available off the shelf.

A good machinist could machine the right hand carb to left hand spec. But again you’d be spending money on carbs that are still undersized.

Apart from being the correct size, new Premier carbs have a number of benefits over older carbs inc a better cleanable pilot circuit and better anodised slides, amongst other features.
 
I agree with you and probably I will end up buying two new Premier carbs but it irritate me getting rid of these perfectly rebuild MK1.5 carbs without even testing them. Although I cannot understand what the guy that install these both right side models was thinking about!
I will try to find some left side body carb and if I do not get it then I will certainly go for the new Premiers.
 
Commando carbs are a very close fit. So much so the non functioning idle boss has to be milled or filed for clearance
between the two. It looks like that choke assembly on the left carb may be rubbing or fowling against the right carb.
Check to see if you have clearance there.
 
After a useless search of a left hand side AMAL 930 MK1.5 carburetor I surrender and I will buy a pair of brand new AMAL 932 Premier carburetors for my Commando MK3 bike. They are going to cost me more than 350 Pounds / 400€ but I have not being able to find a cheaper solution.
 
Have a look:
Left: https://amalcarb.co.uk/cold-start-lever-standard.html
Right: https://amalcarb.co.uk/cold-start-lever-special.html

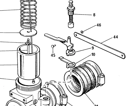
Those two are used with a Triumph T140E with dual MKII carbs. In addition, there is a simple metal strap with a hole at each end for a simple pivot pin. With this setup, the lever on the left controls the enricher of both carbs.

I'm guessing that it would work with your carbs. The distance between the holes is very important and in fact a later mod was to elongate the right-side hole to be sure the enricher would seat.

Personally, I wouldn't bother spending money on the carbs you have, but depending on which parts you actually have, this could be the least expensive way to try them out.
View attachment 102867
The problem with this setup is the rubber inlets flex and only the left enrichener works
That's why triumph offered the cable conversion
 
After a useless search of a left hand side AMAL 930 MK1.5 carburetor I surrender and I will buy a pair of brand new AMAL 932 Premier carburetors for my Commando MK3 bike. They are going to cost me more than 350 Pounds / 400€ but I have not being able to find a cheaper solution.
Sensible and probably cheaper in the long term when you factor in the inevitable messing around your other options would have casued.
 
The problem with this setup is the rubber inlets flex and only the left enrichener works
That's why triumph offered the cable conversion
There is a service release to elongate the hole in the right side. With that simple fix it works well and with bar on the other side, the level works very well.
 
There is a service release to elongate the hole in the right side. With that simple fix it works well and with bar on the other side, the level works very well.
Yep I remember the service release
I tried that
But the cable conversion was so much better
 
Unlike mk1’s, with mk2’s the cable allows you to control the cold start, lowering it partially obstruct the fuel flow so you can actually control the running to a degree, whereas the lever is a simple on / off.
 
Status
Not open for further replies.
Back
Top