Carburetor models doubt on MK3

Status
Not open for further replies.
My MK1.5 930 carburetors do not have the Tickler pin but only a little open pipe that I do not know whats it is made for,

I believe what you are referring to as an open pipe is a breather spigot so would normally have a breather pipe attached to it.
Carburetor models doubt on MK3


does it mean I do not need to ticker to fuel feed them on cold start?

Yes, lifting the plungers opens the cold start enrichment circuits similar to the Amal Mk2 or Mikuni VM.
 
The plunger works really well. Flick it down, starts first time, flick it up and ride off. Don't forget to turn it off, or plugs go in the bin 5 miles later.
 
These carbs do not have ticklers.
I wouldn't spend any money on the choke cables etc till I knew I liked the carbs.
At worst, it's a little inconvenient to operate chokes. I'd get it running, tune it and go from there.
 
These carbs do not have ticklers.
I wouldn't spend any money on the choke cables etc till I knew I liked the carbs.
At worst, it's a little inconvenient to operate chokes. I'd get it running, tune it and go from there.
I'd say one on movement and one off movement is less inconvenient than ticklers.
 
Hi Eddie,

I have not being able to find the cold start kit or parts I need in order to operate both carburators. As you see on my pictures the right hand carburator does include the lever which works properly but, how can I get a similar lever to operate the other carburetor (which unfortunately it is exactly the same right hand model)?
I am considering just buying and installing the very same lever on the left mounted carburator and see if I am able to put my hand between the carburetors to push/pull the new lever.
Burlen Fuel Systems (as posted earlier) are makers and sellers of Amal carbs and parts, you should familiarise yourself with them and their web site now you’re a Norton owner. They have great parts diagrams etc.

LAB has posted the link of the cable conversation kit.

But as others have said, you might want to ensure you’re happy with the carbs before investing in them.
 
My MK1.5 930 carburetors do not have the Tickler pin but only a little open pipe that I do not know whats it is made for, does it mean I do not need to ticker to fuel feed them on cold start?
With a fuel enrichment system, you do not need to flood (tickle) the carbs, the fuel enrichment literally does it for you.

MKII Amals (and all VM Mikunis) do not have a tickle button.
 
Hi Eddie,

I have not being able to find the cold start kit or parts I need in order to operate both carburators. As you see on my pictures the right hand carburator does include the lever which works properly but, how can I get a similar lever to operate the other carburetor (which unfortunately it is exactly the same right hand model)?
I am considering just buying and installing the very same lever on the left mounted carburator and see if I am able to put my hand between the carburetors to push/pull the new lever.
Of course, you could use LABs clothes peg to hold open the right fuel enrichment valve. ;)

I have a pair of Mikunis which on the right side just uses a pull up button in place of the lever. So in fact they offer 3 options! I found that to work best on my Rickman and may fit one to the right carb on the pair now fitted.
 
Thank you for your quick answers!
I would just like to make my bike run well without spending a fortune. The carburetors look in good shape and look like being rebuild.
If I find the "the same as MK 2 Concentrics" to operate the Choke do you think the bike would run ok without boring out to 32mm? (in fact what does it bore out mean?, do I have to machine them or just replace some jets or parts?
And do I have to replace one of them into the LEFT side one?
Hi Javifoto ...if you want to set up a quick cable operated inricher and use what you've got for now.
Pull the plungers out...cut a brass electrical cable connector down ...then braze it to the top of the plunger.
Fit the stock cables tighten the screws to the inner cable and slide the existing rubber over to hide the connection...route & clamp the 2 outer cables before the junction then up to the stock choke lever on the bars...cheap and works sweet
 

Attachments

  • Carburetor models doubt on MK3
    20230113_203954.webp
    161.7 KB · Views: 253
Hello,

I have just starting to analize where to start from to restore my 1975 Commando MK3. The bike is not in OEM condition and it also lacks several parts like calipers, head and taillight, seat, wiring and battery...
I pretend to keep it as original as possible but as 70s cafe racer, as a 70s guy would have accomplish a cafe racer with it.
The seller told me the frame and engine were totally restored, and it looks like.

Revising what I need to work on and what parts I need to find/buy I have an important doubt:
The carburetors are written AMAL 930 and from the OEM specs they should be 932.
Both carburetors look like being Right side!! And only the right one includes the choke lever.

Are they ok and compatible with my bike or should I replace them with 932 ones?
Do I have to find some special part to link both carburetors choke into the same choke lever?

Find here the pictures I made
I have calipers that need renovation. (UK)
 
I only use one enricher to start my 350 Morini. Different bike and carb but principal the same.
 
Hi Javifoto ...if you want to set up a quick cable operated inricher and use what you've got for now.
Pull the plungers out...cut a brass electrical cable connector down ...then braze it to the top of the plunger.
Fit the stock cables tighten the screws to the inner cable and slide the existing rubber over to hide the connection...route & clamp the 2 outer cables before the junction then up to the stock choke lever on the bars...cheap and works sweet
That looks a clever and do it yourself good solution, unfortunately my bike is missing the cable choke on the handlebar and its cables. So my plan to test everything in a simple way is to just buy another plunger lever like the one the right carburetor includes and try to mount it maybe sideways on the left hand mounted carburetor.
 
That looks a clever and do it yourself good solution, unfortunately my bike is missing the cable choke on the handlebar and its cables. So my plan to test everything in a simple way is to just buy another plunger lever like the one the right carburetor includes and try to mount it maybe sideways on the left hand mounted

That looks a clever and do it yourself good solution, unfortunately my bike is missing the cable choke on the handlebar and its cables. So my plan to test everything in a simple way is to just buy another plunger lever like the one the right carburetor includes and try to mount it maybe sideways on the left hand mounted carburetor.
Sorry I missed the photo of the plunger lever .. still...cables and a bar lever are dime a dozen ... and will save any interference issues...if it were me I'd first see how those carbs perform before you go to much further....the clothes peg idea would work for me right now.
 
Sorry I missed the photo of the plunger lever .. still...cables and a bar lever are dime a dozen ... and will save any interference issues...if it were me I'd first see how those carbs perform before you go to much further....the clothes peg idea would work for me right now.
That's true
The carbs could be crap
You'd be throwing good money after bad
Try them out first
 
Also a hose clip to clamp the two outer cables with some careful packing to the frame under your tank.
 

Attachments

  • Carburetor models doubt on MK3
    Screenshot_20230114-080915_eBay.webp
    55.4 KB · Views: 257
  • Carburetor models doubt on MK3
    Screenshot_20230114-081009_Google.webp
    48 KB · Views: 254
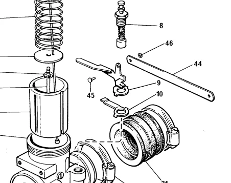
Have a look:
Left: https://amalcarb.co.uk/cold-start-lever-standard.html
Right: https://amalcarb.co.uk/cold-start-lever-special.html

Those two are used with a Triumph T140E with dual MKII carbs. In addition, there is a simple metal strap with a hole at each end for a simple pivot pin. With this setup, the lever on the left controls the enricher of both carbs.

I'm guessing that it would work with your carbs. The distance between the holes is very important and in fact a later mod was to elongate the right-side hole to be sure the enricher would seat.

Personally, I wouldn't bother spending money on the carbs you have, but depending on which parts you actually have, this could be the least expensive way to try them out.
Carburetor models doubt on MK3
 
Javi, I'd just like to add that if you decide to go with new Amals you should check out Greg Marsh's offerings, I recently purchased a Pack 140 set of Premier alloys of 32mm's from him and it was by far the best pricing I found. Mark
 
Have a look:
Left: https://amalcarb.co.uk/cold-start-lever-standard.html
Right: https://amalcarb.co.uk/cold-start-lever-special.html

Those two are used with a Triumph T140E with dual MKII carbs. In addition, there is a simple metal strap with a hole at each end for a simple pivot pin. With this setup, the lever on the left controls the enricher of both carbs.

I'm guessing that it would work with your carbs. The distance between the holes is very important and in fact a later mod was to elongate the right-side hole to be sure the enricher would seat.

Personally, I wouldn't bother spending money on the carbs you have, but depending on which parts you actually have, this could be the least expensive way to try them out.
View attachment 102867
This Is exactly the kind of solution I was thinking about yo test the carne with Little cost, if they work bingo.. if not the expensas will be low and I Will go for the new premierà.
 
I opened the carburetors cubes and happily they are in perfect condition with new floats, jets and gaskets!
I will just need to replace the external fuel hoses to test them.

It seems that the guy who sold me the bike was right ant trustable when he told me the engine was fully restored with 0 kms on it. Test run and time will tell.

Carburetor models doubt on MK3

Carburetor models doubt on MK3

Carburetor models doubt on MK3
 
Status
Not open for further replies.
Back
Top