So You Just Bought a Near Mint Condition Commando?

Status
Not open for further replies.
Do the Mk3 electric start Nortons have a roller bearing on the layshaft as original or would the Mk3 have the same issues?

So You Just Bought a Near Mint Condition Commando?
 
Do the Mk3 electric start Nortons have a roller bearing on the layshaft as original or would the Mk3 have the same issues?

View attachment 82341
My Mk3 exhibited early symptoms at an alleged 20k miles, so was subjected to a complete overhaul kit. But will admit I didn't take a lot of notice of what came out....
 
Do the Mk3 electric start Nortons have a roller bearing on the layshaft as original or would the Mk3 have the same issues?


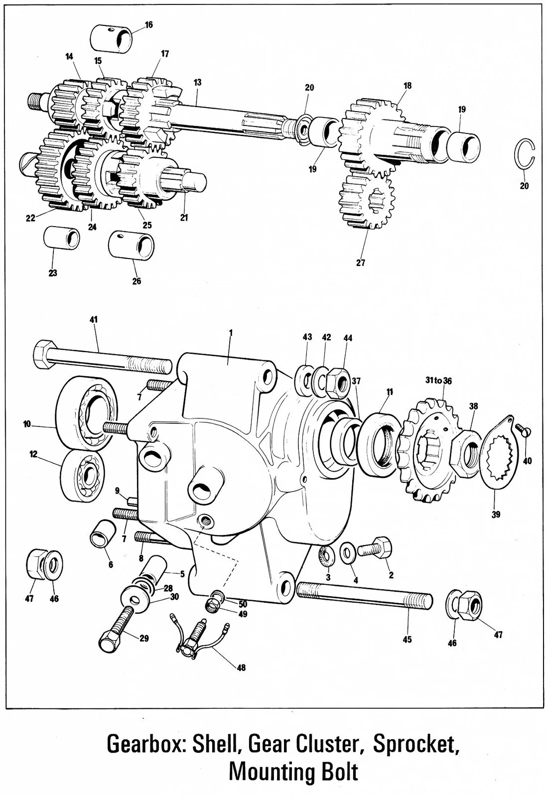
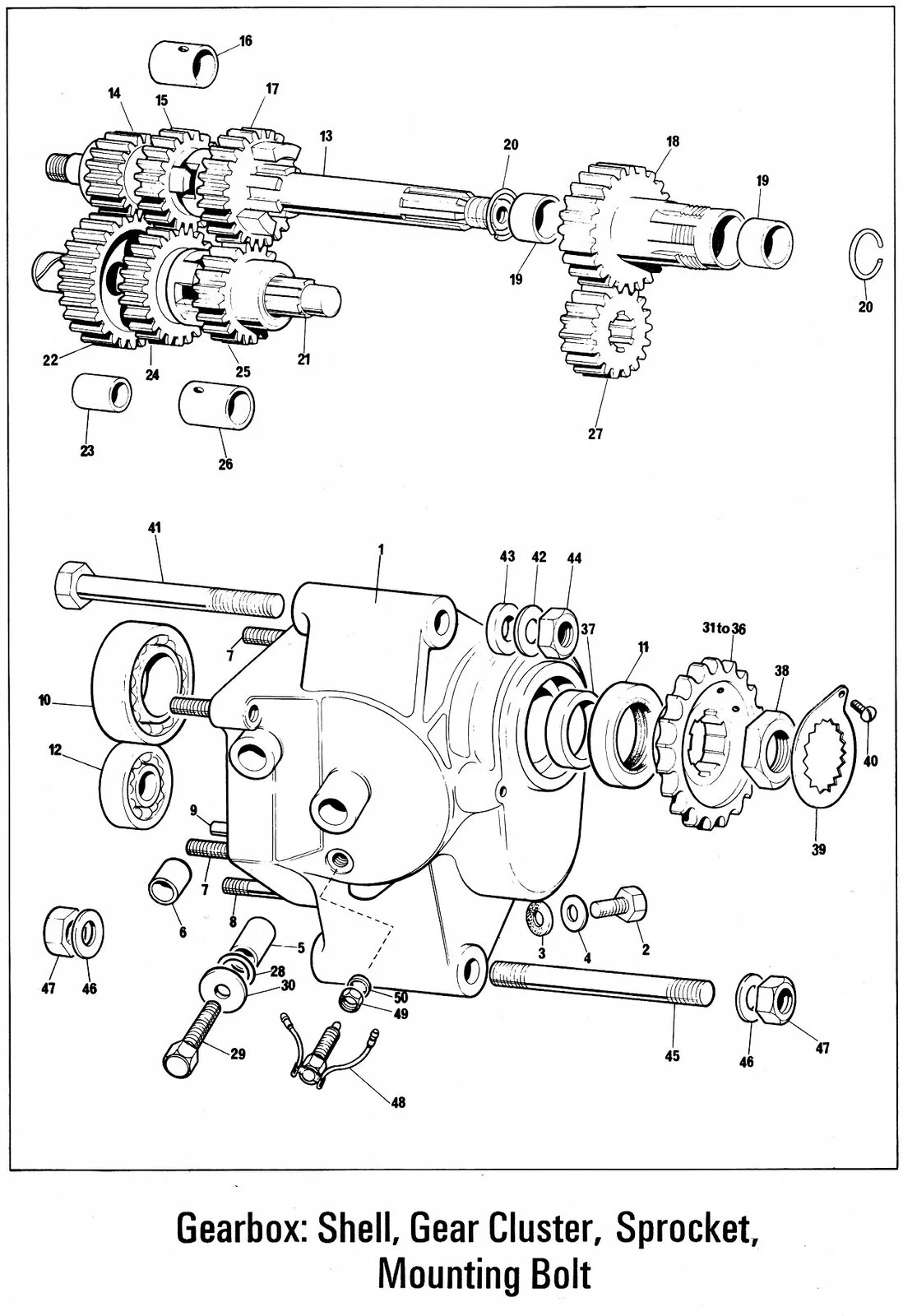
Although the 06-7710 roller bearing part number is listed in the Mk3 parts book as superseding the 040100 (ball bearing) all Mk3s seem to have had the Portuguese* 6203 brass cage ball bearing that has the highest rate of failure.
*(not all are marked 'Portugal')

The brass cage 6203 I removed from my Mk3.
So You Just Bought a Near Mint Condition Commando?
 
Is there a warning of failure?

Not always.
 
Is there a warning of failure?
First sign is the kickstart lever moving back and hitting your leg on acceleration, at that point stop and get it trailered. Mine did that and 2 mins later I started to lose gears until left with only 4th. So very little warning and easily missed.
 
My MK3 had the same type factory Layshaft bearing as shown in L.A.B's post.
The kicker gave my leg a couple of bumps on acceleration so I changed the bearing to a roller.
The original bearing was still intact, lucky it gave a bit of warning before disintegrating.
That was with about 20,000 miles showing.

Glen
 
Of 5 gear boxes I have had apart, only the '73 850 had the Portuguese ball bearing, the exact one pictured above.. The others were 750s, and their layshaft ball bearings were British made. None had failed but all were replaced with roller bearings.
I did one while GB was in situ and the rest on the bench. I did not have an easy time refitting the new bearings in the shell while on the bike.
 
Is there a warning of failure?

Not always.
First sign is the kickstart lever moving back and hitting your leg on acceleration, at that point stop and get it trailered. Mine did that and 2 mins later I started to lose gears until left with only 4th. So very little warning and easily missed.
Other than some subdued noises while idling in neutral after kick starting earlier in the day (that stopped as soon as I played with the shift lever and never reoccurred) I had no warning.

Mine locked up as I shifted into 1st gear to make a left turn.
 
Had a similar experience back in 78-79 or so, on my 1970 750 Roadster. Riding slowly in town, through a crossing, changed gear from 1:st to second and a light twist on the throttle - and a clonk and a rattle. No drive but the wheel didn´t lock up on me, so as I rolled on slowly I looked back and saw a long string of oil on the road..... The main shaft had snapped clean off, and the housing was split in two.
 

Je ne crois pas que la source du roulement ait quoi que ce soit à voir avec le mode de défaillance; il était tout simplement sous-spécifié.
C’est aussi mon point de vue. A ma connaissance, lorsqu’il y a une rupture dans ce roulement c’est souvent avec un pignon de sortie de boîte de vitesses de 22 dents, notamment sur le 850MK3, le remplacer par un 21 apportera plus de fiabilité aux roulements et à l’ensemble de la boîte de vitesses.
 
Is there a warning of failure?
A tic tic -tic -tic sound for a few hours , followed by the kicker lever moving up and down on it's own , followed by a catastrophic lockup of the rear wheel , followed by honkings of horns on my ass. 70 -750 . Go roller .
 
If it was shifting good before the signs of failure, just buy a new bearing and replace it in the bike. Easy. Probably no need for full rebuild, but you could replace the 2 outer cover o-ring seals with x-rings if they leak.
 
If it was shifting good before the signs of failure, just buy a new bearing and replace it in the bike. Easy. Probably no need for full rebuild, but you could replace the 2 outer cover o-ring seals with x-rings if they leak.
You'd have to be really lucky if there were not other damage in that box
 
Status
Not open for further replies.
Back
Top