Rhombeus
Basic
- Joined
- Apr 23, 2019
- Messages
- 6
Hi all,
My first post, bar the images I just uploaded into the picture thread and it's a plea for advice.
Last Saturday I rode home from a mates at 1am.
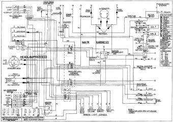
The main beam died and left me with a very dim dip beam. Not only that but the dip was flickering, it was so dull traffic lights were blinding in comparison.
Also If I accelerated over 50 mph the light would just go out altogether.
Luckily it was a very clear night and bright full moon.
It's a Halogen set up and I have a new bulb on order but I have nasty feeling the problem may be more than that.
Have any of you chaps had this issue before?
My first post, bar the images I just uploaded into the picture thread and it's a plea for advice.
Last Saturday I rode home from a mates at 1am.
The main beam died and left me with a very dim dip beam. Not only that but the dip was flickering, it was so dull traffic lights were blinding in comparison.
Also If I accelerated over 50 mph the light would just go out altogether.
Luckily it was a very clear night and bright full moon.
It's a Halogen set up and I have a new bulb on order but I have nasty feeling the problem may be more than that.
Have any of you chaps had this issue before?
